1
/
of
4
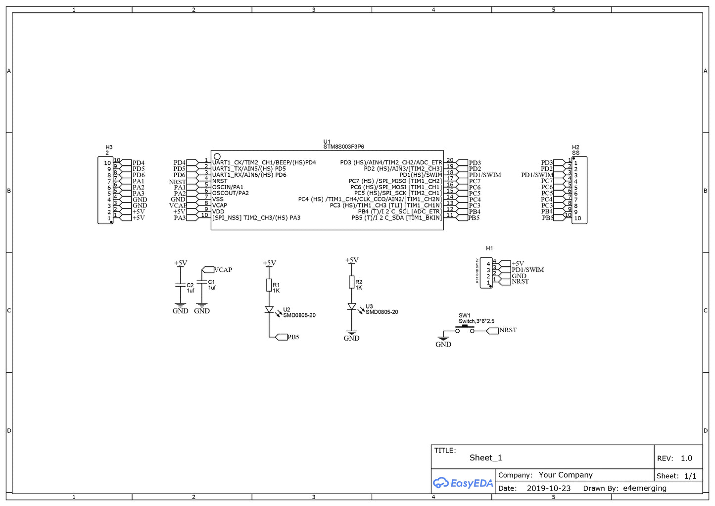
PCB FOR STM8S003F3P6TR / STM8S103F3P6 TSSOP20 BREAKOUT BOARD ET7251
PCB FOR STM8S003F3P6TR / STM8S103F3P6 TSSOP20 BREAKOUT BOARD ET7251
SKU: {{sku }} :G7251
Regular price
Rs. 9.00
Regular price
Sale price
Rs. 9.00
Unit price
/
per
Taxes included.
Shipping calculated at checkout.
Couldn't load pickup availability
- ONLY CONTAINS PCB
- Size of passive components - 0805
- SIZE -20X28mm
| no | Name | Footprint | Quantity | Manufacturer Part |
| 1 | STM8S003F3P6 | TSSOP-20_L6.5-W4.4-P0.65-LS6.4-BL | 1 | STM8S003F3P6 |
| 2 | SMD0805-20 | LED0805-FD | 2 | SMD0805-20 |
| 3 | 1uf | C0805 | 2 | CT41G-0805-2X1-50V-0.1μF-K(N) |
| 4 | Switch,3*6*2.5 | SW-SMD_L6.1-W3.6-LS8.0 | 1 | Switch,3*6*2.5Plastic head white,260G, 0.25mm,SMD |
| 5 | 1K | R0805 | 2 | 0805WAD1001T5E |
Manufacturer - Emerging Technologies
Manufacturer Part No -
Package-
Marking code -
Country of origin - India
-
Product tags
- Micro controller PCB
- PCB BOARDS DIY
- STM BOARDS
